Вариант 6
Содержание |
Синтез логических устройств для реализации симметрических булевых функций
Введение
При проектировании вычислительных устройств (ВУ) возникает задача реализации на одном логическом модуле (устройстве) всех булевых функций, принадлежащих определенному классу. В качестве такого класса весьма часто используется класс симметрических булевых функций (или некоторые из его подклассов). Интерес к симметрическим булевым функциям объясняется тем, что такими булевыми функциями описываются структура и поведение многих типовых устройств вычислительной техники [1].
К настоящему времени имеется довольно-таки много результатов в области синтеза универсальных логических модулей, а также в области синтеза многофункциональных логических модулей - устройств для вычисления произвольных , фундаментальных и полиномиально-однородных симметрических булевых функций [2, 3, 4].
Основные понятия теории булевых функций
Среди функций одной переменной наибольший интерес представляет функция – отрицание (инверсия) переменной. Такая функция называется элементарной булевой функцией одной переменной. Кроме функции к числу элементарных относится 7 булевых функций, зависящих от двух переменных и :
- функция называется конъюнкцией (или логическим умножением);
- функция называется сложение по модулю два;
- функция называется дизъюнкцией (или логическим сложением);
- функция называется стрелкой Пирса (или функцией Вебба);
- функция называется эквивалентностью;
- функция называется импликацией ( посылка (основание), заключение (следствие));
- функция называется штрих Шеффера.
| x1 | x2 | F1 | F2 | F3 | F4 | F5 | F6 | F7 |
|---|---|---|---|---|---|---|---|---|
| 0 | 0 | 0 | 0 | 0 | 1 | 1 | 1 | 1 |
| 0 | 1 | 0 | 1 | 1 | 0 | 0 | 1 | 1 |
| 1 | 0 | 0 | 1 | 1 | 0 | 0 | 0 | 1 |
| 1 | 1 | 1 | 0 | 1 | 0 | 1 | 1 | 0 |
Определение логической формулы:
- Булева переменная является формулой.
- Если и - формулы, то конструкции , , , , , , - также формулы.
- Других формул, кроме формул, перечисленных в п.1 и п.2, нет.
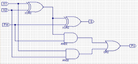
entity summator is Port ( x1 : in STD_LOGIC; x2 : in STD_LOGIC; pm : in STD_LOGIC; s : out STD_LOGIC; pc : out STD_LOGIC); end summator; architecture Behavioral of summator is begin process (x1,x2,pm) begin s<=(x1 xor x2 xor pm); pc<=((x1 and x2) or (x1 and pm) or (x2 and pm)); end process; end Behavioral;
| Название глав дипломной работы | Дата начала выполнения | Дата конца выполнения |
|---|---|---|
| ОСНОВНЫЕ ПОНЯТИЯ ТЕОРИИ БУЛЕВЫХ ФУНКЦИЙ | 13.04.2014 | 20.04.2014 |
| КЛАССЫ БУЛЕВЫХ ФУНКЦИЙ | 21.04.2014 | 29.04.2014 |
| ПОДКЛАССЫ СИММЕТРИЧЕСКИХ БУЛЕВЫХ ФУНКЦИЙ | 30.04.2014 | 10.05.2014 |
| Название глав дипломной работы | Отметка о выполнении |
|---|---|
| ОСНОВНЫЕ ПОНЯТИЯ ТЕОРИИ БУЛЕВЫХ ФУНКЦИЙ | |
| КЛАССЫ БУЛЕВЫХ ФУНКЦИЙ | |
| ПОДКЛАССЫ СИММЕТРИЧЕСКИХ БУЛЕВЫХ ФУНКЦИЙ | |
| СХЕМНАЯ РЕАЛИЗАЦИЯ БУЛЕВЫХ ФУНКЦИЙ | |
| СХЕМНАЯ РЕАЛИЗАЦИЯ СИММЕТРИЧЕСКИХ БУЛЕВЫХ ФУНКЦИЙ |
Заключение
Мною были синтезированы логические устройства, на единственном выходе которых вычисляется (реализуется) произвольная симметрическая булева функция, зависящая от трех, четырёх и пяти, со сложной настройкой.
Эти двухуровневые схемы имеют низкую конструктивную сложность (по числу входов логических элементов) и содержат относительно небольшое число внешних выводов.
СПИСОК ЛИТЕРАТУРЫ
[1] ![]()
[2] http://www.findpatent.ru
[3] http://www.belgospatent.org.by/database/index.php?pref=inv&lng=ru&page=1
[4] http://patentdb.su
